![]() |
![]() |
![]() |
| Главная Журналы Популярное Audi - почему их так назвали? Как появилась марка Bmw? Откуда появился Lexus? Достижения и устремления Mercedes-Benz Первые модели Chevrolet Электромобиль Nissan Leaf |
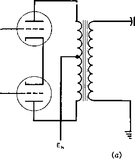
Главная » Журналы » Transformer elementary form 1 ... 17 18 19 20 21 22 23 ... 38 ![]() Fig. 144. Powdered iron-core shapes. 80. Modulation Transformers. Wave-filter principles are applied in many circuits other than filters. An example is the design of modulation transformers for high-level amplitude-modulated radio transmitters. Some of these transformers are large. In plate-modulated power amplifiers, the modulator power required to produce 100 per cent modulation is half of the power amplifier input. Improved audio quality and reduction in size of components are achieved through the use of what may be called the pi-filter method. For low modulation frequencies, this method may be illustrated by means of the circuit diagram of Fig. 145 (ct). The modulator usually is a class В amplifier. Output transformer OCL, coupling capacitor, and modulation reactor combine to form a pi-section high-pass filter, Fig. 145(b). The elements are proportioned for characteristic impedance equal to the equivalent plate input resistance Eb/Ib of the modulated power amplifier. Formerly these components were made as large as was considered practical. Transformer secondary and reactor reactances were each Table XIV. Shapes of Powdered-Iron Cores Core Shape Use Shell Low-voltage r-f transformers and inductors. Cup Adjustable low and medium r-f inductors. Slug Adjustable r-f inductors. Also used to adjust cup-core inductance. Toroid Audio and low r-f inductors. С High-voltage audio and r-f transformers and inductors. Powdered cores are made in several forms. Table XIV indicates the main areas of usefulness of such forms. Figure 144 illustrates the core shapes in this table. A study of available molds and materials is worthy of the designers time. 3 to 4 times tlie power amplifier plate input resistance, and the coupling capacitor reactance was a fraction of this resistance, at the lowest modulation frequency. Ad\antages of the pi-filter are a reduc- modulation transformer coupling capacitor ![]() to r.f. power amplifier modulation inductor Xl = transf. sec. open circuit reactance Xl= reactance of modulation inductor Xc= reactance of coupling capacitor r = p.a. input resistances- note: bypass on Еь assumed infinitely large Fig. 145. (a) Circuit diagram of anode modulation system; (b) equivalent pi-filter modulator tube load. tion of the two inductive reactances to 1.41 times the terminating load resistance, and increase in capacitive reactance to the same value, at a low frequency /i, which is 1.41 times cut-off frequency of the filter. Down to /i the filter maintains a tube load of almost 100 per cent power factor, although the ohmic value rises to 190 per cent of the terminating load resistance at Д. The voltage required for constant output rises to 138 per cent of normal. Partly compensating for this defect is the tendency of class В amphfier tubes to deliver higher voltages with higher tube load impedances. Thus, in a certain radio transmitter, the type 805 modulator tubes deliver 1,035 peak volts per side into a normal tube load of 1,860 ohms. At 30 cycles, the lowest audio frequency, the load impedance rises to 3,600 ohms, and the voltage required for full output is 1,440 volts. Plotting a 3,600-ohm load line on the tube curves shows that 1,275 volts will be delivered at 30 cycles, which is 1 db down from normal. To obtain the same frequency response with the older brute force method, at least twice the values of transformer and reactor inductance and much more coupling capacitance would have been necessary. The voltage across the capacitor increases as the capacitance decreases, but surge voltages often exist across the coupling capacitor in service. The voltage rating was formerly determined more by these surges than by normal voltage. With the pi-filter method, the normal voltage at low frequencies cannot be greatly exceeded in service, owing to the limitation in voltage output of the tubes. Hence, the reduction in coupling capacitance is a real one and is offset very little by increases in voltage rating. These points are made clearer by reference to Fig. 146. Phase shift between transformer and load voltages is 90° at Д. At cut-off (= 70 per cent of /i) the tube voltage for constant output is 224 per cent of the load voltage. A tube would not deliver so much voltage with this type of load, especially when the power factor is so low. The corresponding capacitor voltage at cut-off frequency is 284 per cent of Er; it would not be delivered either, for the same reason. The useful frequency range is higher than Д. Another advantage of the pi-filter over the older method is the high power factor load down to frequency Д. The maximum tube load phase angle above Д is 8°, and at frequencies above 3/i the phase angle is zero. At ЗД the tube load impedance is equal to R. Hence the tube works into a unity power-factor load of constant value at frequencies above ЗД. For the same size of inductive components, the brute force system would have been very much poorer. If these elements had been made twice as large in order to give the same frequency response at 30 cycles, the load phase angle at 30 cycles would be 35° and the load impedance 80 per cent of R. Hence the possibilities of low-frequency distortion and low efficiency are reduced by the pi-filter method. IsXg* 172% AT f, ![]() 1000 FREQUENCY IN % OF f, 5000 Fig. 146. Pi-filter basis of transformer design. In very high fidelity modulators the lowest frequency is 2 to 3 times /i to reduce phase shift in connection with the inverse feedback. The pi-filter just discussed conforms with the usual high-pass filter in regard to values of L and C. These elements can be proportioned on another basis such that the ohmic values of all the reactive elements are made equal to the load resistance at frequency Д. These values are those of a 90° artificial line at frequency Д. They give a unity power-factor tube load equal to the modulated power amplifier plate input resistance at frequency Д, and thus represent 41 per cent increase in capacitor and 41 per cent reduction in transformer and reactor size. The disadvantages of the artificial line are that the tube load impedance drops to a minimum of 74 per cent U at the frequency 1.5Д, the maximum tube load phase angle is 16°, and it persists up to frequencies much higher than ЗД, which was the frequency where the response of the pi-filter became virtually perfect. This appreciable phase angle spread over a portion of the audio frequency range, together with the lower load impedance, causes distortion. The artificial line basis of design is used where larger amounts of distortion are not objectionable, or in fixed-frequency modulators. No matter what method of design is used, it is important that the modulator be loaded properly. If the power amplifier input should be interrupted while the modulator is fully excited, the voltages on the various elements are likely to rise to dangerous values, because the load impedance becomes high and causes indefinitely high voltages in the positive вв direction. The transformer and reactor in high-voltage modulators are equipped with spark gaps like those in Fig. 147 to prevent insulation breakdown due to accidental removal of load. The pi-filter or artificial line method of design can be applied also at the higher modulation frequencies. Figure 148 shows how the usual properties of winding capacitance and leakage inductance are arranged to give a low-pass filter circuit. Preferably the internal capacitance and inductance should be so low that external L and С can be added to the transformer terminals to produce the required proportions at the highest modulator frequency. Figure 149 shows how both high-and low-pass pi-filter performance can be combined in a modulator to obtain wide-range high-fidelity performance. Although these methods apply chiefly to modulation transformers, they may be used in the design of loaded interstage transformers. 1 See An Analysis of Distortion in Class В Audio Amplifiers, by True McLean, Proc. I.R.E., Ц, 487 (March, 1936); also see Section 8L ![]() ![]() Fig. 147. Broadcast station modulation transformer. LEAKAGE INDUCTANCE C= PRIMARY CAPACITANCE, INCLUDING TUBE AND WIRING CAPACITANCE. C2= SECONDARY CAPACITANCE, INCLUDING BY-PASS AND LOAD CAPACITANCE. LOAD RESISTANCE Fig. 148. Equivalent transformer diagram at high audio frequencies. In high power modulation transformers, it is necessary to make the core larger in order to reduce the number of turns and obtain good high-frequency response. But, as the core becomes larger, so do the leakage inductance and winding capacitance. The core must grow very large to overcome this difficulty, and high power audio transformers are much larger than commercial power transformers of the same rating. One advantage of grain-oriented steel is that it permits this process to be reversed. High induction at low frequencies means Ш tu t CE о <S) 70-60-O50- -10- §30-7 о 40 ЕЛ I--60- +-70-I-80-
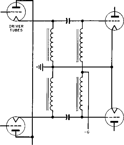
100 1,000 FREQUENCY-CYCLES PER SECOND 10.000 в PHASE SHIFT BETWEEN TRANSFORMER PRIMARY VOLTAGE AND LOAD VOLTAGE Ф - PHASE ANGLE BETWEEN TRANSFORMER PRIMARY VOLTAGE AND CURRENT (TUBE LOAD) Fig. 149. High- and low-pass pi-filter performance in a modulator. a smaller core area, smaller mean turn, and better high-frequency performance, or, for the same high-frequency performance, more turns and a still smaller transformer. Weight savings of 60 to 75 per cent have been made in this way. Advantages of the pi-filter and artificial line methods are realized in transformers for 30 to 10,000 cycles; some advantage can be gained in the 100- to 5,000-cycle range, but not below 100 watts. Below this size, or for a narrower frequency range, the transformer becomes so small that combination with the modulation reactor into one unit is feasible and economical. The secondary current wave shape is like the first wave of Table I (p. 16). In such a transformer the core gap must be large enough to prevent saturation by the power amplifier plate current. 81. Driver Tansformers. Requirements for class В modulator driver transformers are unusually difficult to satisfy. The transformer load is non-linear, for grid current is far from sinusoidal. Although the average load is low, the driver tube must deliver instantaneous current peaks; otherwise distortion will appear in the modulator audio MODULATOR TUBES ![]() Fig. 150. Cathode follower driver circuit. output and therefore in the r-f envelope. The grid current peaks contain harmonic currents of higher order, and to insure their appearance in the modulator grid current an extension of the driver transformer frequency range at both ends is required: on the high-frequency end because of the decreased leakage inductance necessary to allow the higher currents to flow, and on the low-frequency end to prevent transformer magnetizing current, itself non-linear, from loading the driver tube so that it does not deliver the peak grid power. If the driver tube is a pentode or beam tube, it is usually loaded with resistance to minimize current variations. Driver transformers are usually ste -down because the grid potentials are relatively low. These conditions require transformers of exceptionally large size. For low (1 to 2 per cent) overall harmonic distortion, driver transformer design becomes impractical, and it is advantageous to dispense with driver transformers entirely. This is accomplished by the cathode follower circuit (Fig. 150), which for a push-pull amplifier takes the form of a symmetrical pi-filter. The two input chokes connect the driver tube cathodes to ground and carry their plate current. Coupling capacitors connect these chokes to the modulator tube grid chokes, which carry modulator grid current. Sizes of chokes and coupling capacitors are chosen to give approximately constant impedance from the lowest modulation frequency up to the higher harmonics of the highest frequency, and choke capacitance is reduced to preclude pronounced resonance effects throughout the frequency range. In Fig. 151, the filter components are mounted in the exciter cubicle; a transformer for this purpose would be too large to locate internally. The cathode follower circuit is advantageous in another way. Leakage inductance in a driver transformer causes high-frequency phase shift between driver and grid voltage, which does not exist in the coupling capacitor scheme. Since inverse feedback is often applied to audio amplifiers to reduce distortion, the absence of phase shift is a great advantage. The low frequency at which phase shift appears must be kept below the audio band, but this can be done without excessively large components. 82. Transformer-Coupled Oscillators. These have circuits similar to that of Fig. 152. Transformer OCL and capacitor Cj form a tank circuit, to which are coupled sufficient turns to drive the grid in the lower left-hand winding. The output circuit is coupled by a separate winding. For good wave shape in such an oscillator, triodes and class В operation are preferable. The ratio of turns between anode and grid circuits is determined by the voltage required for class В operation of the tube as if it were driven by a separate amplifier stage. Single tubes may be used, because the tank circuit maintains sinusoidal wave shape over the half-cycle during which the tube is not operating. Grid bias is obtained from the RC2 circuit connected to the grid. In such an oscillator, tube load equals transformer loss plus grid load plus output. In small oscillators, transformer loss may be an appreciable part of the total output. This loss consists of core, gap, and copper loss. Copper loss is large because of the relatively large tank current, and the wire size in the anode winding is larger than would be normally used for an ordinary amplifier. The ga is neces- Pt~FILTER CHOKES COUPLING CAPACITORS . ![]() Fig. 151. Rear view of exciter cubicle for 50-kw broadcast tran mitter. 1 ... 17 18 19 20 21 22 23 ... 38 |
||||||||||||||||||||||||||||||||||||||||||||||||||||||||||||||||||||||||||||||||||||||||||||||||||||||||||||||||||||||||||||||||||||||||||||||||||||||||||||||||||||||||||||||||||||||||||||||||||||||||||||||||||||||||||||||||||||||||||||||||||||||||||||||||||||||||||||||||||||||||||||||||
|
© 2026 AutoElektrix.ru
Частичное копирование материалов разрешено при условии активной ссылки |