Главная Журналы Популярное Audi - почему их так назвали? Как появилась марка Bmw? Откуда появился Lexus? Достижения и устремления Mercedes-Benz Первые модели Chevrolet Электромобиль Nissan Leaf Главная » Журналы » Metal oxide semiconductor

1 ... 32 33 34 35 36 37 38 ... 91

shown in Fig. 17.13b. The equivalent circuits during switch-on and switch-off periods are shown in Fig. 17.13c,d. Its output voltage and current are:

Vj and /о = (1 - k)h

The voltage-transfer gain in the continuous mode is

The variation ratio of the output voltage VqItv the continuous mode is

г =

IVq/I к 1 ~USpLoC,CoR

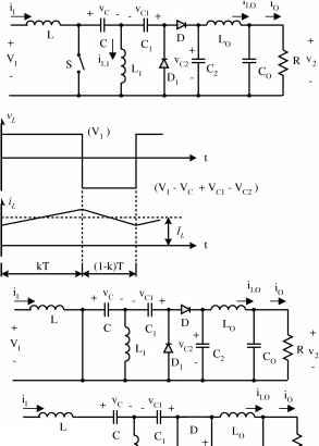
The N/O Luo self-lift converter is shown in Fig. 17.14a. Typical output voltage and current waveforms are shown in Fig. 17.14b. The equivalent circuits during switch-on and switch-off periods are shown in Fig. 17.14c,d. Its output voltage and current (absolute value) are:

Vn = -

; Vj and /о = (1 -

The voltage-transfer gain in the continuous mode is

The variation ratio of the output voltage VqIu the continuous mode is

£ =

Avo/2

Vo 128 PLoCiC,R

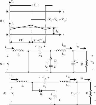
The Cuk self-lift converter is shown in Fig. 17.15a. Typical output voltage and current waveforms are shown in Fig. 17.15b. The equivalent circuits during switch-on and switch-off periods are shown in Fig. 17.15c,d. Its output voltage and current (absolute value) are


, - - - - - - 1

V, i,

: Rl

FIGURE 17.14 Negative output Luo self-lift converter: (a) circuit diagram; (b) waveforms of inductor voltage and current; (c) switch-on equivalent circuit; and (d) switch-off equivalent circuit.

The variation ratio of the output voltage Vq in the continuous mode is

Vj and Io = (l- Щ

The voltage-transfer gain in the continuous mode is

Vo 128 pLoC,C,R

Vj I о l-k

The reverse Cuk self-lift converter is shown in Fig. 17.16a.

Typical output voltage and current waveforms are shown in Fig. 17.16b. The equivalent circuits during switch-on and




r v,

(V,-Vc)

<h

, ------ ----

- - - г--ч ; --

. (l-k)T j


С1Ф rQ v,

с

(d) v,

: c:

: r


L A C2=r =r >r V

FIGURE 17.16 The reverse Cuk self-lift converter: (a) circuit diagram; (b) waveforms of inductor voltage and current; (c) switch-on equivalent circuit; and (d) switch-off equivalent circuit.

FIGURE 17.15 Cuk self-lift converter: (a) circuit diagram; (b) waveforms of inductor voltage and current; (c) switch-on equivalent circuit; and (d) switch-off equivalent circuit.

switch-off periods are shown in Fig. 17.16c,d. Its output voltage and current are:

Vo=Vj and Io = (l-k)Ij

The voltage-transfer gain in the continuous mode is

The enhanced self-lift converter is shown in Fig. 17.17a. Typical output voltage and current waveforms are shown in Fig. 17.17b. The equivalent circuits during switch-on and switch-off periods are shown in Fig. 17.17c,d. Its output voltage and current are:

Vn =

l-k.

YVi and Io = jh

Vj I о l-k

The voltage-transfer gain in the continuous mode is M h 2-fc

The variation ratio of the output voltage Vq in the continuous mode is

The variation ratio of the output voltage VQin the continuous mode is

г =

Av/2 к I

Vo USpLoCiCoR

Avo/2 к I

Vo 128 PLoCiCoR



rY-V-Y-\

(a) V,


FIGURE 17.17 Enhanced self-lift converter: (a) circuit diagram; (b) waveforms of inductor voltage and current; (c) switch-on equivalent circuit; and (d) switch-off equivalent circuit.

17.2.5 Positive Output Luo-Converters

The P/O Luo-converters perform the voltage conversion from one positive source to another positive load voltage using the voltage-lift technique. They work in the first quadrant with large voltage amplification, and their voltage-transfer gain is high. Five circuits are introduced in the literature. They are:

elementary circuit;

self-lift circuit;

re-hft circuit;

triple-lift circuit; and

quadruple-hft circuit.

An additional lift circuit can be derived from the formen-tioned circuits. In aU P/O Luo-converters, we define normalized inductance

The P/O Luo elementary circuit is shown in Fig. 17.4a. Typical output voltage and current waveforms are shown in Fig. 17.4b. The equivalent circuits during switch-on and switch-off periods are shown in Fig. 17.4c,d. Its output voltage and current are:

к I - к

Vj and Io=-;-Ij

к

When к is greater than 0.5, the output voltage can be higher than the input voltage.

The voltage-transfer gain in the continuous mode is

к

Vj I о l-k

The variation ratio of the output voltage VqIii the continuous mode is

8 =

Avo/2

Vo SMePCoL,

This converter may work in the discontinuous mode if the frequency/is smaU, conduction duty к is small, inductance L is small, and the load current is high. The condition for the discontinuous mode is

The output voltage in the discontinuous mode is

Vo = Hl-k)V, with A l

The P/O Luo self-lift circuit is shown in Fig. 17.11a. Typical output voltage and current waveforms are shown in Fig. 17.11b. The equivalent circuits during switch-on and switch-off periods are shown in Fig. 17.11c,d. Its output voltage and current are:

Vo = -

; Vj and /о = (1 - Щ

The voltage-transfer gain in the continuous mode is

h - V + Lo and normalized impedance



The variation ratio of the output vohage Vq in the continuous mode is

8 =

Avo/2 к SMsPCoL,

This converter may work in the discontinuous mode if the frequency/is small, conduction duty к is smaU, inductance L is smaU, and the load current is high. The condition for the discontinuous mode is

The output vohage in the discontinuous mode is R

1 + k\l - k)

2/lJ

/ R 1 Vj with \fk /- >

l2fL - l-k

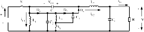
The P/O Luo re-lift circuit is shown in Fig. 17.18a. The typical output voltage and current waveforms are shown in Fig. 17.18b. The equivalent circuits during switch-on and switch-off periods are shown in Fig. 17.18c,d. Its output voltage and current are:

Vn = -

2 l-k

Vj and Iq = -I- It

l-k 2

The voltage-transfer gain in the continuous mode is

The variation ratio of the output voltage Vq in the continuous mode is

Avo/2 к I

Vo ШJ,pCoL,

This converter may work in the discontinuous mode if the frequency/is small, conduction duty к is smaU, inductance L is smaU, and the load current is high. The condition for the discontinuous mode is

Mj < /kz

The output voltage in the discontinuous mode is

Fig. 17.19b. The equivalent circuits during switch-on and switch-off periods are shown in Fig. 17.19c,d. Its output voltage and current are:

The voltage-transfer gain in the continuous mode is

Vj lo l-k

The variation ratio of the output voltage VqIii the continuous mode is

8 =

Avo/2 к I

Vo SMrPCoL

This converter may work in the discontinuous mode if the frequency/is smaU, conduction duty к is small, inductance L is smaU, and the load current is high. The condition for the discontinuous mode is

The output voltage in the discontinuous mode is

Vn =

3 + /c(l-/c)Jv. with d--

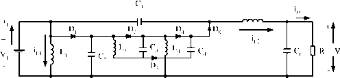
The P/O Luo quadruple-lift circuit is shown in Fig. 17.20a. The typical output voltage and current waveforms are shown in Fig. 17.20b. The equivalent circuits during switch-on and switch-off periods are shown in Fig. 17.20c,d. Its output voltage and current are:

VojVj and lo-I,

The voltage-transfer gain in the continuous mode is

Mo = - = - =

The variation ratio of the output vohage Vq in the continuous mode is

2 + k\l - k)

2/lJ

R 2 Vj with Vk ->

IfL - l-k

The P/O Luo triple-lift circuit is shown in Fig. 17.19a. The typical output voltage and current waveforms are shown in

Avo/2 к I Vo ~SM,pCoL,

This converter may work in the discontinuous mode if the frequency/is smaU, conduction duty к is small, inductance L



(a) V T


(-V,+V,)


1 кТ (l-k)T

(с) V,

Cl +

T I Cot Rp

(d) i

FIGURE 17.18 Positive output Luo re-lift converter: (a) circuit diagram; (b) waveforms of inductor voltage and current; (c) switch-on equivalent circuit; and (d) switch-off equivalent circuit.

is small, and the load current is high. The condition for the The output voltage in the discontinuous mode is discontinuous mode is

MQ<./2k

4 + k\l - k)

2/Lj

Vj with Vk J- >

у j-L 1 - К



Li it С

D3 s,

Qr V



(d) i

± C, : L. 4

Or v,

FIGURE 17.19 Positive output Luo triple-lift converter: (a) circuit diagram; (b) waveforms of inductor voltage and current; (c) switch-on equivalent circuit; and (d) switch-off equivalent circuit.

Summary for all P/O Luo-converters:

Vi Iq

the self-lift circuit, j = 2 for the re-lift circuit, j = 3 for the triple-hft circuit, j = 4 for the quadruple-lift circuit, and so on. The voltage-transfer gain is

To write common formulas for all circuits parameters, we define that subscript j = 0 for the elementary circuit, j = 1 for

fcftO)[j + fe(j)] > l-k



(a) V,

Dl 2 D4 Рб

Or v

(V:)

! (l-k)

-- ...J.......

U--J

(l-k)T j

V

CI +

--H,--

(C) V,

- г 1 1 /-1

-Co П

Qr v

FIGURE 17.20 Positive output Luo quadruple-lift converter: (a) circuit diagram; (b) waveforms of inductor voltage and current; (c) switch-on equivalent circuit; and (d) switch-off equivalent circuit.

The variation ratio of the output vohage is

Avo/2 к 1 ~ Vo ~ ЩРСоЬ^

The condition for the discontinuous mode is

/с[1+ВД]+/г(;)

Mf 2

The output vohage in the discontinuous mode is

where

is the Hong fimction.

0 j>l

1 if jO



17.2.6 Simplified Positive Output Luo-Converters

By carefully checking the P/O Luo-converters we can see that there are two switches required from the re-lift circuit. In order to use only one switch in aU P/O Luo-converters, we modify the circuits. In this section we introduce the foUowing four circuits:

simplified self-hft circuit;

simplified re-lift circuit;

simplified triple-hft circuit; and the

simplified quadruple-lift circuit.

An additional lift circuit can be derived from the forementioned circuits. In aU S P/O Luo-Converters, we define

-Jl

normalized impedance.

The S P/O Luo self-lift circuit is shown in Fig. 17.13a. The typical output voltage and current waveforms are shown in Fig. 17.13b. The equivalent circuits during switch-on and switch-off periods are shown in Fig. 17.13c,d. Its output voltage and current are

Vj and = (1 - k)Ij

The voltage-transfer gain in the continuous mode is

Ms= - = - =

The S P/O Luo re-lift circuit is shown in Fig. 17.21a. The typical output voltage and current waveforms are shown in Fig. 17.21b. The equivalent circuits during switch-on and switch-off periods are shown in Fig. 17.21c,d. Its output voltage and current are

VojVj and loI,

The voltage-transfer gain in the continuous mode is

The variation ratio of the output voltage VqIU the continuous mode is

Avo/2 Vn

128/UoCiCoi

This converter may work in the discontinuous mode if the frequency/is smaU, conduction duty к is small, inductance L is smaU, and the load current is high. The condition for the discontinuous mode is

Mj < ./kz

The output voltage in the discontinuous mode is

Vo =

Vi I о i-k

2 + k\l - k)

2/Lj

V, with >ЯД>:

The variation ratio of the output voltage Vq in the continuous mode is

aw2 к

Vo USpLoCiCoR

This converter may work in the discontinuous mode if the frequency/is small, conduction duty к is smaU, inductance L is small, and the load current is high. The condition for the discontinuous mode is

The S P/O Luo triple-lift circuit is shown in Fig. 17.22a. The typical output voltage and current waveforms are shown in Fig. 17.22b. The equivalent circuits during switch-on and switch-off periods are shown in Fig. 17.22c,d. Its output voltage and current are

3 I - к

Vn = --tVj and Io = --Ij

The voltage-transfer gain in the continuous mode is

Ms < VkJ

Vi I о l-k

The output vohage in the discontinuous mode is

The variation ratio of the output vohage Vq in the continuous mode is

1 + k{\ - k)

2/lJ

Vj with -s/k

2/1 - 1 - fc

e =

Avo/2 к 1 Vo ~mpLoC,CoR






i,=0

(d) V,

R<

FIGURE 17.21 Simplified positive output Luo re-lift converter: (a) circuit diagram; (b) waveforms of inductor voltage and current; (c) switch-on equivalent circuit; and (d) switch-off equivalent circuit.



(a) V,

(V,)

(l-k)

кТ (l-k)T ,

(C) V,

A ci




1 ... 32 33 34 35 36 37 38 ... 91

© 2026 AutoElektrix.ru
Частичное копирование материалов разрешено при условии активной ссылки